Купить Пневмораспределитель Арт. EL38-015-02, производства Камоцци (Camozzi), вы можете в компании KSAMASTER (КСАМАСТЕР), оформив заказ в интернет магазине, отправив заявку по почте info@ksamaster.com, позвонив по телефону +7 (8552) 919-689 или в офисе компании
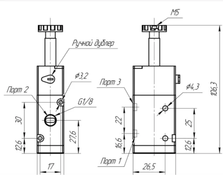
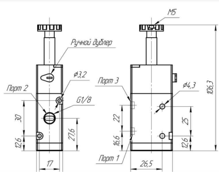
Распределитель с резьбовыми выходами
Конструкция = золотникового типа (с пилотным управлением)
Кол-во линий и позиций = 3/2 Н.З. (только моностабильный)
Присоединение = резьба 1/8 G
Управление = один соленоид (горизонтальный)
Рабочее давление = 1.5 : 10 Бар
Расход = 800 Нл/мин
Доставка по городу Набережные Челны от 300 рублей (доставка осуществляется 1-2 дня)
Самовывоз бесплатно.
Доставка в другие регионы транспортной компанией или почтой России от 2 до 15 дней (за счет покупателя).
Получите бесплатную консультацию от нашего ведущего специалиста прямо сейчас!